
- ★Product Description
- ★About us
- ★Custom cable
SPECIFICATIONS
Application: Computer
Brand Name: Si Tai&SH
Condition: New
Dissipation Power: Intermational standard
High-concerned chemical: None
Model Number: CD4011BM
Operating Temperature: Intermational standard
Origin: Mainland China
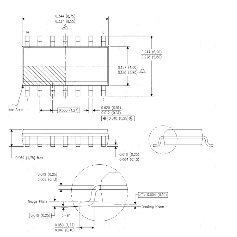
Package: SOP
Supply Voltage: Intermational standard
Type: Voltage Regulator
is_customized: Yes




- ♥Hear From Our Happy Customers
- ♥Verified Buyer Reviews
- ♥Trusted by Professionals and Engineers


